伸缩蝶阀作为一种用来实现管路系统通断及流量控制的部件,已在石油、化工、冶金、水电等许多领域中得到极为广泛地应用。伸缩蝶阀的蝶板安装于管道的直径方向。在蝶阀阀体圆柱形通道内,圆盘形蝶板绕着轴线旋转,旋转角度为0°~90°之间,旋转到90°时,自力式阀门则牌全开状态。 此阀一般水平安装。
伸缩蝶阀结构特点:
伸缩蝶阀具有结构简单、体积小、重量轻、材料耗用省,安装尺寸小,开关迅速、90°往复回转,驱动力矩小等特点,用于截断、接通、调节管路中的介质,具有良好的流体控制特性和关闭密封性能。伸缩蝶阀处于完全开启位置时,伸缩蝶阀厚度是介质流经阀体时唯一的阻力,因此通过该阀门所产生的压力降很小,故具有较好的流量控制特性。伸缩蝶阀有弹密封和金属的密封两种密封型式。弹性密封阀门,密封圈可以镶嵌在阀体上或附在蝶板周边。
伸缩蝶阀采用金属密封的阀门一般比弹性密封的阀门寿命长,但很难做到完全密封。金属密封能适应较高的工作温度,弹性密封则具有受温度限制的缺陷。 如果要求伸缩蝶阀作为流量控制使用,主要的是正确选择阀门的尺寸和类型。伸缩蝶阀的结构原理尤其适合制作大口径阀门。伸缩蝶阀不仅在石油、煤气、化工、水处理等一般工业上得到广泛应用,而且还应用于热电站的冷却水系统。
常用的伸缩蝶阀有对夹式蝶阀、手动法兰式伸缩蝶阀、对焊式蝶阀三种。对夹式蝶阀是用双头螺栓将阀门连接在两管道法兰之间;法兰式蝶阀是阀门上带有法兰,用螺栓将阀门上两端法兰连接在管道法兰上;对焊式蝶阀的两端面与管道焊接连接。蝶板的流线形设计,使流体阻力损失小,可谓是一种节能型产品。阀杆为通杆结构,经过调质处理,有良好的综合力学性能和抗腐蚀性,抗擦伤性。蝶阀启闭时阀杆只作旋转运动而不作升降运行,阀杆的填料不易破坏,密封可靠。与蝶板锥销固定,外伸端为防冲出型设计,以免在阀杆与蝶板连接处意外断裂时阀杆崩出。
1、小巧轻便,容易拆装及维修,并可在任意位置安装。
2、结构简单、紧凑,操作扭矩小,90度回转开启迅速。
3、流量特性趋直线,调节性能好。
4、蝶板与阀杆的连接采用无销钉结构,克服了有可能的内泄漏点。
5、密封件可更换,且密封可靠达到双向密封。
6、蝶板可根据用户要求喷涂覆层,如尼龙或聚四氟类。
7、该阀可设计成法兰连接和对夹连接。
8、驱动方式可选择手动、电动或气动。
伸缩蝶阀采用标准
设计标准:GB/T12238-1989
法兰连接尺寸:GB/T9113.1-2000;GB/T9113.2-2000
GB/T9115.1-2000;GB/T9115.2-2000
压力试验:GB/T13927-1992;JB/T9092-1999
伸缩蝶阀工作原理
伸缩蝶阀是用圆形蝶板作启闭件并随阀杆转动 来开启、关闭和调节流体通道的一种阀门。伸缩蝶阀的蝶板安装于管道的直径方向。在伸缩蝶阀阀体圆柱形通道内,圆盘形蝶板绕着轴线旋转,旋转角度为0°~90°之间,旋转到90°时,阀门则程全开状态。

伸缩蝶阀结构图
伸缩蝶阀主要技术参数:
公称通径 | DN(mm) | 50~2000 | ||
公称压力 | PN(MPa) | 0.6 | 1.0 | 1.6 |
试验压力 | 强度试验 | 0.9 | 1.5 | 2.4 |
密封试验 | 0.66 | 1.1 | 1.76 | |
气密封试验 | 0.6 | 0.6 | 0.6 | |
适用温度 | ≤80℃ | |||
适用介质 | 空气、水、蒸气、煤气、油品等。 | |||
驱动形式 | 手动、蜗杆蜗轮传动、气传动、电传动。 | |||
伸缩蝶阀主要零件材质
零件名称 | 材料 |
阀体 | 铸铁、铸钢、不锈钢、铬钼钢、合金钢 |
蝶板 | 铸钢、合金钢、不锈钢、铬钼钢 |
密封圈 | 橡胶、聚四氟、聚内脂、不锈钢 |
阀杆 | 2Cr13、不锈钢、铬钼钢 |
伸缩管 | 铸铁、铸钢、不锈钢、铬钼钢 |
填料 | 柔性石墨 |
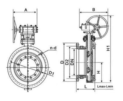
伸缩蝶阀外形尺寸、法兰尺寸和螺栓孔尺寸
公称 通径 | 外形尺寸(参考值) | 法兰尺寸和螺栓孔尺寸(标准值) | |||||||||||||||||
H | H1 | 设计最 大长度 | 设计最 小长度 | 设计 长度 | A | B | 0.6MPa | 1.0MPa | 1.6MPa | ||||||||||
毫米 | D | D1 | D2 | n-d | D | D1 | D2 | n-d | D | D1 | D2 | n-d | |||||||
50 | 80 | 309 | 186 | 156 | 171 | 180 | 200 | 140 | 110 | 88 | 4-14 | 165 | 125 | 99 | 4-18 | 165 | 125 | 99 | 4-18 |
65 | 95 | 337 | 190 | 160 | 175 | 180 | 200 | 160 | 130 | 108 | 4-14 | 185 | 145 | 118 | 4-18 | 185 | 145 | 118 | 4-18 |
80 | 98 | 347 | 198 | 166 | 182 | 180 | 200 | 190 | 150 | 124 | 4-18 | 200 | 160 | 132 | 8-18 | 200 | 160 | 132 | 8-18 |
100 | 114 | 373 | 228 | 188 | 208 | 180 | 200 | 210 | 170 | 144 | 4-18 | 220 | 180 | 156 | 8-18 | 220 | 180 | 156 | 8-18 |
125 | 128 | 405 | 240 | 201 | 220 | 180 | 200 | 240 | 200 | 174 | 8-18 | 250 | 210 | 184 | 8-18 | 250 |
下一篇:
工业互联网是实现阀门智能制造的关键基础
主站蜘蛛池模板:
常德市|
深圳市|
石城县|
南城县|
平原县|
万盛区|
松桃|
九江市|
二手房|
东至县|
元朗区|
苏尼特左旗|
辉县市|
太湖县|
礼泉县|
师宗县|
武邑县|
靖远县|
青海省|
甘泉县|
古浪县|
武隆县|
锡林郭勒盟|
安岳县|
准格尔旗|
贺兰县|
左权县|
临邑县|
新竹县|
宣武区|
土默特左旗|
靖边县|
水富县|
灵宝市|
信丰县|
佳木斯市|
和林格尔县|
清河县|
六盘水市|
淮北市|
阿拉尔市|
| ||