全国空降上门900 城市_全国空降24小时免费_全国同城空降快餐微信_全国空降可约

轴流式止回阀

华通产品 > 止回阀 > 轴流式止回阀

轴流式止回阀

产品名称及型号:轴流式止回阀
HC42H.T.X-10.16.25.40.63.100 系列
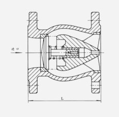
产品特点及用途:该阀由阀体、阀座、导流体、阀瓣、轴瓦及弹簧等零件组成。内部流道采用流线型设计,压力损失小,阀瓣启闭行程很短,停泵时可快速关闭,防止巨大的水锤声,形成静音效果。该阀主要用于给水、排水、消防、暖通系统、石化、电力等工业项目,可安装于水泵出口处,防止介质倒流及水锤对设备的损坏。

产品采用标准:
产品标准按照GB/T 21387
结构长度按照GB/T 21387
法兰连接按照GB/T 17241.6  GB/T 9113
压力试验按照GB/T 13927
主要性能规范: 公称尺寸DN50~DN500  公称压力PN10~PN100


公称压力 

PN10

PN16

PN25

PN40

PN63

PN100

最高工作压力(MPa) 

1.0

1.6

2.5

4.0

6.3

10

密封试验压力(MPa) 

1.1

1.76

2.75

4.4

6.93

11

壳体试验压力(MPa)

1.5

2.4

3.75

6

9.45

15

适用介质 

蒸汽、水、油品 

介质温度

X<80℃,≤150℃,H≤200℃



主要零部件及材料:


零件名称

材质 

阀体、导流体 

铸铁、铸钢、不锈钢

阀座、轴瓦、阀瓣、轴

铸钢、青铜、不锈钢 

弹簧

不锈钢 


image.png


上一个: 高温烟气蝶阀
下一个: 高耐磨闸阀
主站蜘蛛池模板: 津南区| 辽宁省| 金川县| 蓝山县| 万盛区| 普格县| 武冈市| 张家界市| 龙口市| 加查县| 五家渠市| 芜湖县| 荥阳市| 信阳市| 革吉县| 吉林省| 潮安县| 永嘉县| 福州市| 建昌县| 五家渠市| 姜堰市| 南汇区| 锡林郭勒盟| 永州市| 湘潭县| 阿鲁科尔沁旗| 日照市| 邳州市| 祁阳县| 北碚区| 英吉沙县| 吕梁市| 汶上县| 陇南市| 芮城县| 遂川县| 韶山市| 浦东新区| 米脂县| 玉田县|